767彩票国产防爆喷涂机器人2型:
767彩票 工作范围:2000mm
767彩票 手腕类型:中空手腕
最大负载能力:手腕10kg
自由度:6轴
767彩票喷涂机器人技术特点:
1、采用机器人喷涂,喷漆涂层均匀、速度稳定,光泽度好,产品合格率高;
2、内置节油程序,高效省涂料,节省油漆30%;
3、可24小时不间断工作,可靠性高,提高了生产产能;
767彩票 4、可依喷涂产品的变化自动调整喷枪高低、前后、角度及位置,喷涂油量的大小灵活控制;
5、喷涂机器人环保,安全性能高,操作方便简单易学;
767彩票 6、喷涂机器人寿命长,无易损件,保养简单,比五轴喷漆台少了导轨、皮带等易损件;
767彩票 7、程序可存储3000组,可用U盘拷贝程序,管理方便简单;
8、应用广泛,适合各种异形工件,使用率高,可动态同步跟踪输送带,配合生产线喷涂;


|
型号 |
RDPT01 |
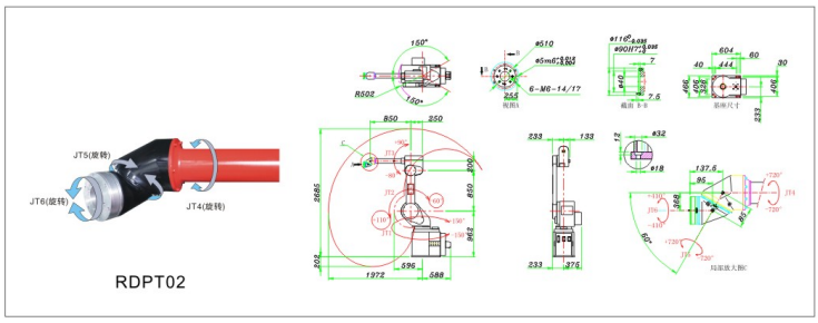
RDPT02 |
RDPT03 |
||||
|
RDPT0105普通型 |
RDPT0110加强型 |
||||||
|
自由度 |
6轴 |
6轴 |
6轴 |
6轴 |
|||
|
工作范围 |
1300mm |
1300mm |
2000mm |
2700mm |
|||
|
手腕类型 |
连接手腕 |
连接手腕 |
中空手腕 |
中空手腕 |
|||
|
最大负载能力 |
手腕5kg |
手腕10kg |
手腕10kg |
手腕10kg |
|||
|
最大直线补偿速度 |
2.0m/s |
2.0m/s |
2.0m/s |
2.0m/s |
|||
|
重复定位精度 |
±0.2mm |
±0.2mm |
±0.5mm |
±0.5mm |
|||
|
运转性能 |
最大行程 |
JT1 |
旋转 |
±170° |
±170° |
±145° |
±145° |
|
JT2 |
下部手臂 |
+135°至—90° |
+135°至—90° |
+105°至—55° |
+115°至—65° |
||
|
JT3 |
上部手臂 |
+168°至-80° |
+168°至-80° |
+90°至-80° |
+90°至-80° |
||
|
JT4 |
旋转1 |
±360° |
±360° |
±720° |
±720° |
||
|
JT5 |
手腕俯仰 |
±120° |
±120° |
±720° |
±720° |
||
|
JT6 |
旋转2 |
±720° |
±720° |
±410° |
±410° |
||
|
重量 |
210KG |
220kg |
460kg |
590kg |
|||
|
本体颜色 |
中国红RAL2008 |
中国红RAL2008 |
中国红RAL2008 |
中国红RAL2008 |
|||
767彩票机器人与进口机器人对比
一、价格
1、767彩票喷涂机器人本体价格比进口机器人便宜40%以上,无代理环节。
2、767彩票机器人加上配套的周边设备整体价格比进口机器人便宜60%。
3、767彩票机器人调试及培训基本免费,售后成本低
二、试机打样
1、767彩票拥有配备齐全的喷涂实验室,专业的喷涂工程师免费试机,可让客户看到喷涂实际效果
2、进口机器人仅模拟人手的动作供客户参考
三、整厂规划
1、机器人配套喷涂生产线一体化完成,可规划整个喷涂车间
2.进口机器人代理商或仅提供机器人,难以提供全套服务
四、支持国产
1.767彩票国产品牌机器人获政府支持,有相关财政补贴。
2、767彩票机器人保密性高,获得众多国企、军工企业、民营高科技企业的信赖




关注微信平台